一片式螺纹球阀  ★★★★
  • B10
  • 概述

    B10系列一片式螺纹球阀是一片式缩径设计,适用于不含杂质的各种介质如空气,气体,水,油,液等的切断。

    特点

    • 一片式阀体紧凑设计缩径
    • 精铸不锈钢铸件,表面细致
    • 防脱出阀轴
    • 纯PTFE阀座

    连接标准螺纹 BSPP, 或 NPT, BSPT
    公称直径1/4"-2"
    压力等级PN63
    温度范围-20°C ~ +200°C
    操作装置手柄带锁


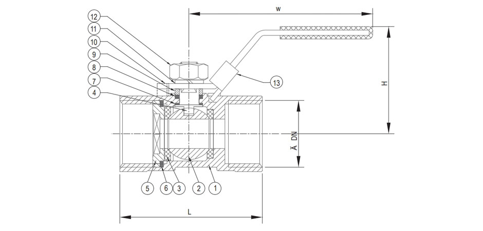
    No.零件名称材质
    1阀体CF8
    2阀球SS304
    3阀座PTFE
    4阀轴SS304
    5阀盖CF8
    6阀体垫圈PTFE
    7止推垫圈PTFE
    8阀轴填料PTFE
    9压紧螺母SS304
    10手柄SS304
    11螺母垫圈SS304
    12螺母SS304
    13锁定装置SS304


    尺寸dHLW重量(kg)
    DN英寸
    101/4"53640710.2
    123/8"73845810.2
    151/2"94256.51110.3
    203/4"12.546591110.4
    251"1549711140.5
    321 1/4"2054781141
    401 1/2"2562831581.5
    502"32691001582