|
|
|
 弹簧辅助关闭薄型对夹旋启式止回阀 ★★★ C15
概述 当开启力超过闭合力时,C15系列弹簧辅助关闭薄型对夹旋启式止回阀打开。打开力取决于压力或流量以及关闭弹簧上的关闭力,关闭重量,安装位置和止回阀的尺寸。与传统阀门相比,薄型对夹设计大大减轻了重量。 它们已被广泛应用于船舶和海洋工业,石化工业,制药工业,加热和冷却,通风,冷杉保护系统,水工业,啤酒和饮料工业,核能工业。 特点 • 薄型对夹式缩短了结构长度尺寸• 自定心连接 • 低压降损失 • 易于安装和维护 • 双安全护圈保持阀板 • 弹簧加载在阀板上,使阀板及时关闭
| 连接标准 | 对夹式 | | 公称直径 | DN40-DN600 | | 标准压力等级 | PN16 | | 最大压力等级 | PN40 for DN40-DN100, PN20 for DN125-DN600 | | 法兰调节 | PN10, PN16, PN25, PN40; ANSI CLASS150 | | 结构长度 | 工业标准 | | 温度范围 | -20°C ~ +85°C for NBR seat | | -20°C ~ +130°C for EPDM seat | | -20°C ~ +180°C for FPM seat | | -29°C ~ +400°C for metal to metal seat | | 涂层 | 碳钢镀锌 |

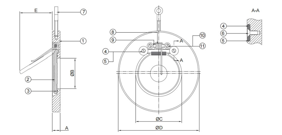
| 编号 | 零件名称 | 材质 | | 1 | 阀体 | 碳钢镀锌,SS316L | | 2 | 阀板 | CF8,CF8M | | 3 | 阀座 | NBR, EPDM, FPM, 硬密封 | | 4 | 垫圈 | SS316L | | 5 | 卡圈 | SS316L | | 6 | 螺丝 | SS316L | | 7 | 吊环螺栓 | SS304 | | 8 | 弹簧 | SS321 | | 9 | 阀轴 | SS316L | | 10 | 垫圈 | SS316L | | 11 | 螺丝 | SS316L |

| 尺寸 | A | B | C | D | E | 重量(kg) | | DN | 英寸 | PN10 | PN16 | PN25 | PN40 | CLASS150 | | 32 | 11/4" | 14 | 13 | 29 | 84 | 84 | 84 | 84 | 76.2 | 16 | 0.6 | | 40 | 11/2" | 14 | 22 | 39 | 0 | 94 | 94 | 94 | 85.7 | 25 | 0.9 | | 50 | 2" | 14 | 32 | 48 | 109 | 109 | 109 | 109 | 104.8 | 37 | 1.1 | | 65 | 21/2" | 14 | 40 | 59 | 129 | 129 | 129 | 129 | 123.8 | 50 | 1.5 | | 80 | 3" | 14 | 54 | 76 | 144 | 144 | 144 | 144 | 136.5 | 61 | 1.8 | | 100 | 4" | 18 | 70 | 96 | 164 | 164 | 170 | 170 | 174.6 | 77 | 3.0 | | 125 | 5" | 18 | 92 | 115 | 194 | 194 | 196 | | 196.8 | 94 | 3.4 | | 150 | 6" | 20 | 112 | 138 | 220 | 220 | 226 | | 222.2 | 100 | 5.4 | | 200 | 8" | 22 | 154 | 183 | 275 | 275 | 286 | | 279.4 | 152 | 7.7 | | 250 | 10" | 26 | 200 | 232 | 330 | 330 | 343 | | 339.7 | 180 | 13 | | 300 | 12" | 32 | 240 | 272 | 380 | 386 | 403 | | 409.5 | 215 | 23 | | 350 | 14" | 38 | 269 | 305 | 440 | 446 | 460 | | 450.9 | 245 | 38 | | 400 | 16" | 44 | 308 | 349 | 491 | 498 | 517 | | 514.4 | 285 | 53 | | 450 | 18" | 50 | 360 | 398.6 | 541 | 558 | 567 | | 549.3 | 335 | 76 | | 500 | 20" | 56 | 405 | 445.4 | 596 | 620 | 627 | | 606.4 | 398 | 99 | | 600 | 24" | 62 | 486 | 529 | 698 | 737 | 734 | | 717.5 | 453 | 136 |
|
| 连接标准 | 对夹式 | | 公称直径 | DN40-DN600 | | 标准压力等级 | PN16 | | 最大压力等级 | PN40 for DN40-DN100, PN20 for DN125-DN600 | | 法兰调节 | PN10, PN16, PN25, PN40; ANSI CLASS150 | | 结构长度 | 工业标准 | | 温度范围 | -20°C ~ +85°C for NBR seat | | -20°C ~ +130°C for EPDM seat | | -20°C ~ +180°C for FPM seat | | -29°C ~ +400°C for metal to metal seat | | 涂层 | 碳钢镀锌 |
概述 当开启力超过闭合力时,C15系列弹簧辅助关闭薄型对夹旋启式止回阀打开。打开力取决于压力或流量以及关闭弹簧上的关闭力,关闭重量,安装位置和止回阀的尺寸。与传统阀门相比,薄型对夹设计大大减轻了重量。 它们已被广泛应用于船舶和海洋工业,石化工业,制药工业,加热和冷却,通风,冷杉保护系统,水工业,啤酒和饮料工业,核能工业。 特点 • 薄型对夹式缩短了结构长度尺寸• 自定心连接 • 低压降损失 • 易于安装和维护 • 双安全护圈保持阀板 • 弹簧加载在阀板上,使阀板及时关闭

| 编号 | 零件名称 | 材质 | | 1 | 阀体 | 碳钢镀锌,SS316L | | 2 | 阀板 | CF8,CF8M | | 3 | 阀座 | NBR, EPDM, FPM, 硬密封 | | 4 | 垫圈 | SS316L | | 5 | 卡圈 | SS316L | | 6 | 螺丝 | SS316L | | 7 | 吊环螺栓 | SS304 | | 8 | 弹簧 | SS321 | | 9 | 阀轴 | SS316L | | 10 | 垫圈 | SS316L | | 11 | 螺丝 | SS316L |

| 尺寸 | A | B | C | D | E | 重量(kg) | | DN | 英寸 | PN10 | PN16 | PN25 | PN40 | CLASS150 | | 32 | 11/4" | 14 | 13 | 29 | 84 | 84 | 84 | 84 | 76.2 | 16 | 0.6 | | 40 | 11/2" | 14 | 22 | 39 | 0 | 94 | 94 | 94 | 85.7 | 25 | 0.9 | | 50 | 2" | 14 | 32 | 48 | 109 | 109 | 109 | 109 | 104.8 | 37 | 1.1 | | 65 | 21/2" | 14 | 40 | 59 | 129 | 129 | 129 | 129 | 123.8 | 50 | 1.5 | | 80 | 3" | 14 | 54 | 76 | 144 | 144 | 144 | 144 | 136.5 | 61 | 1.8 | | 100 | 4" | 18 | 70 | 96 | 164 | 164 | 170 | 170 | 174.6 | 77 | 3.0 | | 125 | 5" | 18 | 92 | 115 | 194 | 194 | 196 | | 196.8 | 94 | 3.4 | | 150 | 6" | 20 | 112 | 138 | 220 | 220 | 226 | | 222.2 | 100 | 5.4 | | 200 | 8" | 22 | 154 | 183 | 275 | 275 | 286 | | 279.4 | 152 | 7.7 | | 250 | 10" | 26 | 200 | 232 | 330 | 330 | 343 | | 339.7 | 180 | 13 | | 300 | 12" | 32 | 240 | 272 | 380 | 386 | 403 | | 409.5 | 215 | 23 | | 350 | 14" | 38 | 269 | 305 | 440 | 446 | 460 | | 450.9 | 245 | 38 | | 400 | 16" | 44 | 308 | 349 | 491 | 498 | 517 | | 514.4 | 285 | 53 | | 450 | 18" | 50 | 360 | 398.6 | 541 | 558 | 567 | | 549.3 | 335 | 76 | | 500 | 20" | 56 | 405 | 445.4 | 596 | 620 | 627 | | 606.4 | 398 | 99 | | 600 | 24" | 62 | 486 | 529 | 698 | 737 | 734 | | 717.5 | 453 | 136 |
|