锻造法兰球阀  ★★★★
  • B53
  • 概述

    B53系列锻造法兰球阀是按API 608设计的全通径阀门,适用于阻断各种空气、气体、水、油、液等无杂质介质。

    特点

    • 螺栓连接的阀盖和分体式设计全通径设计有更好的Kv/Cv
    • 防脱出阀轴
    • 可提供纯PTFE和25%碳纤维增强RPTFE阀座
    • 用于球轴体的防静电装置
    • 防火安全设计
    • 浮动式球
    • 法兰或对焊连接
    • ISO5211安装
    • 提供蜗轮传动装置

    设计标准API 608/API 6D
    防火安全标准API 607
    连接标准法兰符合ASME B16.5, 对焊符合ASME B16.25
    公称直径1/2"-12"
    压力等级ANSI Class150, ANSI Class300, ANSI Class600
    结构长度ASME B16.10
    温度范围-20°C ~ +200°C
    操作装置手柄、齿轮箱


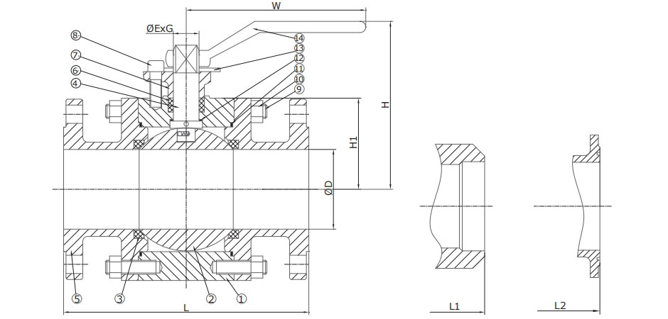
    编号零件名称材质
    1阀体A105F316LF2
    2阀球F304F316F304
    3阀座PTFE,RPTFE
    4阀轴SS304SS316SS304
    5阀盖A105F316LF2
    6填料RPTFE
    7密封压盖A105F316LF2
    8压盖螺栓A193 B7A193 B8A193 B7
    9阀盖螺栓A193 B7A193 B8A320 L7
    10阀盖螺母A194 2HA194 8A194 4
    11阀盖垫圈石墨+304石墨+316石墨+316
    12止推垫圈RPTFE
    13挡板SS304
    14手柄铸钢